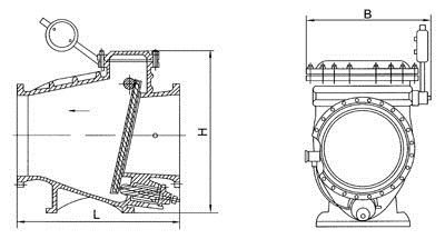
产品介绍:主要零件材料 零件名称 材质 阀体 铸铁、铸钢、不锈钢 阀盖 铸铁、铸钢、不锈钢 阀瓣 碳钢、不锈钢+丁腈橡胶 阀杆、活塞 不锈钢 主要外形尺寸 公称压力 (MPa) 公称通径 DN(mm) 尺寸(m
|
零件名称
|
材质
|
|
阀体
|
铸铁、铸钢、不锈钢
|
|
阀盖
|
铸铁、铸钢、不锈钢
|
|
阀瓣
|
碳钢、不锈钢+丁腈橡胶
|
|
阀杆、活塞
|
不锈钢
|

|
公称压力
(MPa)
|
公称通径
DN(mm)
|
尺寸(mm)
|
|
|
|
L
|
H
|
B
|
||
|
1.0
1.6
2.5
|
40
|
200
|
300
|
220
|
|
50
|
230
|
300
|
270
|
|
|
65
|
290
|
320
|
290
|
|
|
80
|
310
|
354
|
300
|
|
|
100
|
350
|
350
|
320
|
|
|
125
|
400
|
380
|
340
|
|
|
150
|
480
|
500
|
410
|
|
|
200
|
500
|
580
|
450
|
|
|
250
|
600
|
670
|
550
|
|
|
300
|
700
|
730
|
580
|
|
|
350
|
800
|
820
|
630
|
|
|
400
|
900
|
920
|
700
|
|
|
450
|
1000
|
950
|
800
|
|
|
500
|
1100
|
1100
|
900
|
|
|
600
|
1300
|
1200
|
990
|
|
|
700
|
1400
|
1550
|
1120
|
|
|
800
|
1500
|
1700
|
1300
|
|
|
900
|
1700
|
1800
|
1350
|
上一篇:HH47X蝶式缓冲止回阀
下一篇:H42H/W立式止回阀